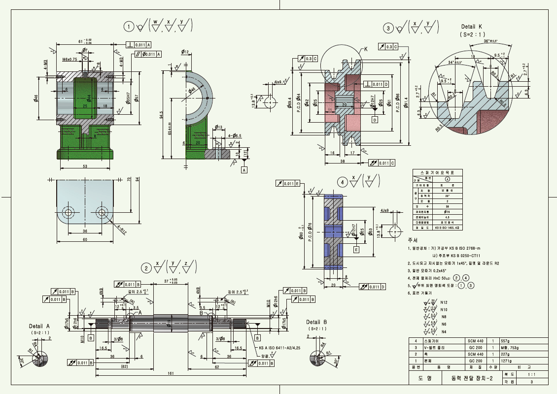
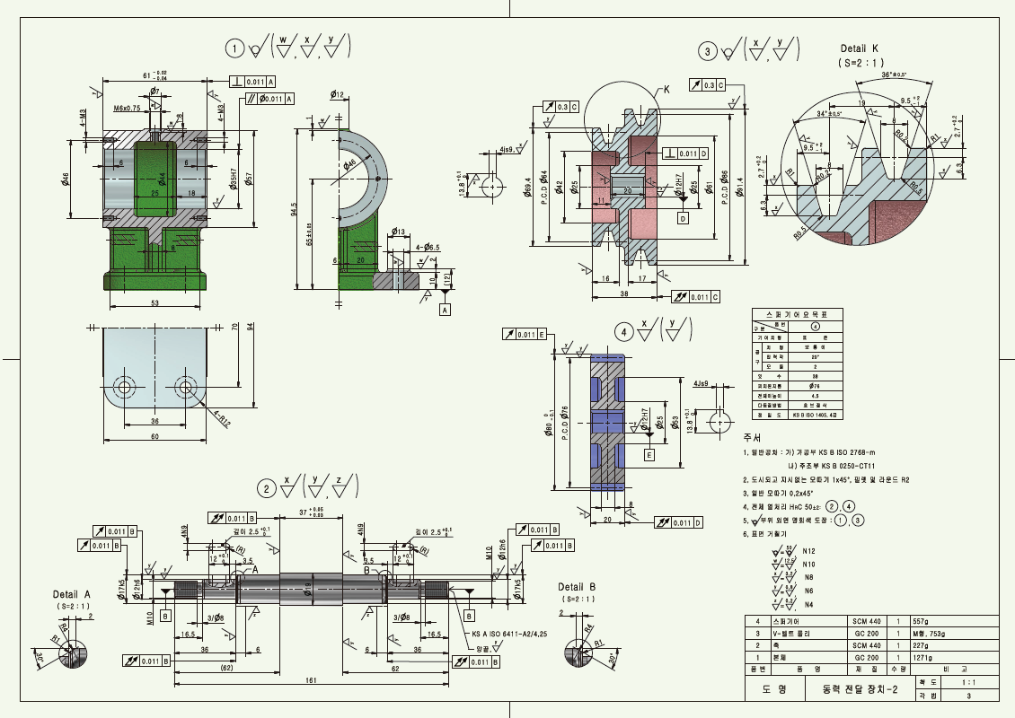
부시에 끼어지는 축은 끼워맞춤 공차를 몇으로 해야되나요?
- 기계 설계 산업기사 & 기능사
- 2017. 1. 16. 15:21

구멍기준식 끼워맞춤(H7기준)으로 봐야하고, 조금 헐겁게 주는 것이 좋습니다.
부시가 축에 체결이 되어있다는 것은 부시가 베어링의 역할을 한다는 것입니다.
만약 제가 준다면 f나 g6 정도를 줄 것입니다.
http://cafe.naver.com/mechazone/62963
'기계 설계 산업기사 & 기능사' 카테고리의 다른 글
| 기계설계산업기사 부품별 재료 (0) | 2017.01.18 |
|---|---|
| 삽입 부시 영어로 하면 drill jig bush 일본어로는 差込みブシュ (0) | 2017.01.16 |
| 도면의 형식 및 KS 규격 ( 제도에서 쓰이는 척도) (0) | 2017.01.14 |
| 기하공차 파이 들어가는 공차 외우기 (2) | 2017.01.14 |
| 인벤터에서 PDF로 변환할 때 글자가 안 나온다면 (0) | 2017.01.09 |
이 글을 공유하기






