프로그램 작업 사이즈 / 출력 사이즈
- 기계 설계 산업기사 & 기능사
- 2016. 6. 22. 23:50

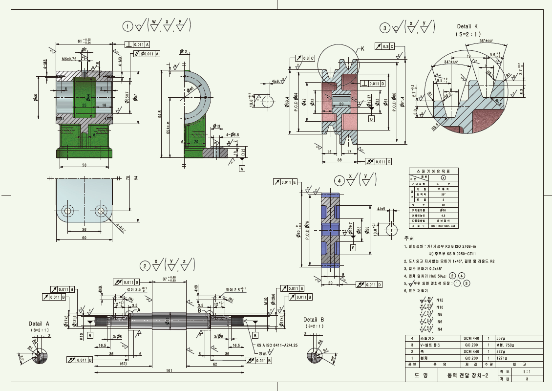
전산응용기계제도기능사
2D / 프로그램작업 : A2 / 출력 : A3
3D / 프로그램작업 : A3 / 출력 : A3
기계설계산업기사
2D / 프로그램작업 : A2 / 출력 : A3
3D / 프로그램작업 : A2 / 출력 : A3
'기계 설계 산업기사 & 기능사' 카테고리의 다른 글
| 전산응용기계제도기능사 실제 도면 참조 (0) | 2016.07.15 |
|---|---|
| 나사 제도법 (0) | 2016.06.28 |
| [전산응용기계제도기능사 ] 치수를 빠짐 없이 깊이 하는 방법. (0) | 2016.06.22 |
| 표면거칠기 기호 크기 및 적용하는 곳에 대해서 (0) | 2016.06.12 |
| 전산응용기계제도 기능사 용지 크기 (0) | 2016.05.19 |
이 글을 공유하기






