기어의 제도
- 기계 설계 산업기사 & 기능사
- 2016. 8. 9. 06:34

출처 : http://goo.gl/otD7ZG
이끝원은 굵은 실선, 피치원은 1점 쇄선으로 표시
이뿌리원은 가는 실선으로 표시. 단, 정면도를 단면으로 표시할 때 이뿌리원은 굵은 실선으로 표시
'기계 설계 산업기사 & 기능사' 카테고리의 다른 글
| 래크 이빨 그리는 방법 (0) | 2016.08.25 |
|---|---|
| [전산응용기계제도기능사] UG로 스프로킷 3D 그리는 방법 (2) | 2016.08.23 |
| 베어링 너트의 도시, 제도, 및 미터가는 나사 적용 (0) | 2016.07.28 |
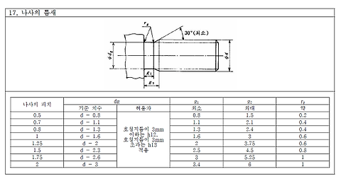
| 나사 틈새에 대한 규격 (0) | 2016.07.28 |
| 반달키 규격집에서 찾을 때, 유의할 점 (0) | 2016.07.27 |
이 글을 공유하기






